| |
DETAILED
TABLE
OF CONTENTS |
| |
|
- INTRODUCTION |
| |
|
- RADIO MODEL NOTES |
| |
|
- LOCATING THE RADIO MODEL |
| |
|
- RADIO MODEL QUICK LOOKUP |
| |
|
- MOTOROLA ON-LINE
RETAIL PRICE DATABASE |
| |
|
- CONVENTIONAL SYNTOR
(limited information) |
| |
|
|
- Introduction |
| |
|
|
- Locating Radio Model
Numbers |
| |
|
|
- Locating Radio Unified
Chassis Numbers |
| |
|
|
- VHF Model Information |
| |
|
|
- VHF Railroad Model
information |
| |
|
|
- UHF Model information |
| |
|
|
- PAC-PL
and
PAC-RT Vehicle
Repeater Model Numbers |
| |
|
|
- Service
Manuals |
| |
|
|
- Programming |
| |
|
|
- Audio
Routing |
| |
|
|
|
- Tx
Audio
Routing |
| |
|
|
- Audio
Muting
Interface |
| |
|
|
- Repeater
Conversions |
| |
|
|
- Frequency Agility |
| |
|
|
- EPROM Conversion |
| |
|
|
|
- Conversion
Page |
| |
|
|
- Syntor Accessories |
| |
|
|
- Standard Syntor Cable |
| |
|
|
- Additional Information |
| |
|
- CONVENTIONAL SYNTOR X |
| |
|
|
- INTRODUCTION |
| |
|
|
- NEW RADIO
INSPECTION |
| |
|
|
- SYNTOR X 9000
CONVERSIONS |
| |
|
|
- MODELS |
| |
|
|
|
- Locating Radio Model
Numbers |
| |
|
|
|
- Locating Radio Unified
Chassis Numbers |
| |
|
|
|
|
- Unified
Chassis Number Tag Photo |
| |
|
|
|
|
- Unified Chassis Number Ink
Stamp Photo |
| |
|
|
|
- Decoding Radio Model
and
Unified Chassis Numbers |
| |
|
|
|
|
- Low Band |
| |
|
|
|
|
- VHF |
| |
|
|
|
|
- UHF |
| |
|
|
|
|
- 800 MHz |
| |
|
|
|
- PAC-PL
and PAC-RT Vehicle
Repeater Model Numbers |
| |
|
|
|
- Notes |
| |
|
|
- MANUALS |
| |
|
|
|
- Introduction |
| |
|
|
|
- Radio Service Manuals |
| |
|
|
|
- System 90*s Service
Manuals |
| |
|
|
|
- Accessory Service
Manuals |
| |
|
|
|
- Hand Held Control
Head
Service Manuals |
| |
|
|
|
- Test Equipment
Manuals |
| |
|
|
|
- VHF Syntor X
Service
Manual Versions |
| |
|
|
- PROGRAMMING |
| |
|
|
|
- Factory Style
Programming |
| |
|
|
|
- The "Code Plug" Mode
Revealed |
|
|
|
|
|
- Syntor X Code Plug
|
| |
|
|
|
- Orange Label EEPROM
Modules |
| |
|
|
|
- EEPROM Programmers |
| |
|
|
|
- White Label PROM
Modules |
| |
|
|
|
- Real World Style
Programming |
| |
|
|
|
- Receive Only
Programming |
| |
|
|
|
- Talkaround Programming |
| |
|
|
|
- HHCH Notes |
| |
|
|
|
- Code Plug Memory Map |
| |
|
|
- CABLES |
| |
|
|
|
- Cable Part Numbers |
| |
|
|
|
- J1 Radio Cable
Connector |
| |
|
|
|
- Radio Trouble
Shooting Tip |
| |
|
|
|
- 22 Pin and 6 Pin
Control
Head Connectors |
| |
|
|
|
- Control Head Hookup
Examples |
| |
|
|
|
|
-
Clamshell Standard Hookup Diagram UNDER
CONSTRUCTION |
| |
|
|
|
|
- System 90*s Standard
Hookup Diagram |
| |
|
|
|
- Cable Wiring
Examples |
| |
|
|
|
|
- Clamshell 32/16/8 Mode
Basic
Wiring Example |
| |
|
|
|
|
- Clamshell 32/16 Mode +
Scan
Head Wiring Example |
| |
|
|
|
|
- System 90*s 32/16/8
Mode
Basic Wiring Example |
| |
|
|
|
|
- System 90*s 8 Mode Scan
Wiring Example |
| |
|
|
|
|
- System 90*s 32/16 Mode
Scan
Wiring Example |
| |
|
|
|
|
- System 90*s 32/16 Mode
Scan + MPL Head Wiring Example |
| |
|
|
|
|
- System 90*s 32/16/8
Mode +
Scan Head Wiring Example |
| |
|
|
|
- Special Cable
Models |
| |
|
|
- CONTROL
HEADS & ACCESSORIES |
| |
|
|
|
- Control Head
Configuration |
| |
|
|
|
- Clamshell Mode
Select
Control Heads |
| |
|
|
|
|
- 1
to 16 Modes Photo |
| |
|
|
|
|
- 32
Mode Photo |
| |
|
|
|
|
- 16
Mode Talkaround Photo |
| |
|
|
|
- System 90*s
Housings |
| |
|
|
|
|
- HHN4008A
Rear Photo |
| |
|
|
|
|
- HHN4009A
Rear Photo |
| |
|
|
|
|
- HHN4010A
Rear Photo |
| |
|
|
|
- System 90*s Mode
Select
Control Heads |
| |
|
|
|
|
- 1
Mode / 8 Mode Bank Select Photo |
| |
|
|
|
|
- 16
Mode Bank Select Photo |
| |
|
|
|
|
- 32
Mode Bank Select Photo |
| |
|
|
|
|
- 2
Mode Select Photo |
| |
|
|
|
|
- 8
/ 16 / 32 Mode Select Photo |
| |
|
|
|
|
- 8
/ 16 / 32 Mode Select + Scan
Photo |
| |
|
|
|
- System 90*s Operator
Select Non-Priority Scan Modules |
| |
|
|
|
|
- 8
Mode Operator Select Non-Priority
Scan Photo |
| |
|
|
|
- System 90*s Operator
Select Multiple PL/DPL Modules (MPL) |
| |
|
|
|
|
- 8
Code Operator Select MPL Photo |
| |
|
|
|
- System 90*s and
System
90 Optional Equipment |
| |
|
|
|
|
- HLN4026A
Touch Code Decoder Photo |
| |
|
|
|
|
- Touch
Code Decoder Circuit Board
Photo |
| |
|
|
|
|
- HLN1077A
MDC-600 Selective Call
Decoder Photo |
| |
|
|
|
|
- MDC-600
Selective Call Decoder
Circuit Board Photo |
| |
|
|
|
- HHCH Control Headand
Accessories |
| |
|
|
|
- PAC-RT and PAC-PL
Vehicle Repeater |
| |
|
|
|
- Syntor X Accessories |
| |
|
|
|
- Internal Options for
the
Syntor X |
| |
|
|
|
- Special Syntor X
Parts |
| |
|
|
|
- Control Head Diodes |
| |
|
|
- MODE
SELECT CONTROL HEAD MODIFICATIONS |
| |
|
|
|
- Tips and Techniques |
| |
|
|
|
- Syntor Clamshell
Control Head Conversion to Syntor X |
| |
|
|
|
- 16 Mode to 32
Mode
Clamshell Control Head Conversion |
| |
|
|
|
|
- 32
Mode Conversion Switch Photo |
| |
|
|
|
|
- 32
Mode Conversion Switch Closeup
Photo |
| |
|
|
|
- Other Clamshell
Control
Head Conversions |
| |
|
|
|
- System 90*s
Alternate
Control Head 32 Mode Conversions |
| |
|
|
|
- System 90*s 32 Mode
Jumpering |
| |
|
|
|
- Scan Enable Switch |
| |
|
|
|
|
- Clamshell
Scan Switch Photo |
| |
|
|
|
- Parts Sources |
| |
|
|
- CONTROL
HEAD INTERFACE |
| |
|
|
|
- Syntor X Radio -
Control Head Communication Scheme |
| |
|
|
|
- Mode Select |
| |
|
|
|
- Display Function |
| |
|
|
|
- Operator Select
Non-Priority Scan Boards |
| |
|
|
|
|
- 8
Mode Operator Select Non-Priority
Scan Photo |
| |
|
|
|
- Operator Select
Multiple
PL/DPL (MPL) Boards |
| |
|
|
|
|
- 8
Code Operator Select MPL Photo |
| |
|
|
- SCANNING |
| |
|
|
|
- Scan Introduction |
| |
|
|
|
- Scan Programming
Template
Sample |
| |
|
|
|
- Priority and
Non-Priority
Modes Scan Program Example |
| |
|
|
|
- Priority Mode Scan
Programming Example |
| |
|
|
|
- Scan Programming
Notes |
| |
|
|
- PL/DPL UNDER CONSTRUCTION |
| |
|
|
|
- PL - CTCSS
Introduction |
| |
|
|
|
- DPL - DCS
Introduction |
| |
|
|
|
- PL/DPL Usage |
| |
|
|
|
- PL/DPL Reverse Burst |
| |
|
|
|
- Operator Select
Multiple
PL/DPL (MPL) |
| |
|
|
|
- PL/DPL Programming
Notes |
| |
|
|
- TRANSMITTER
TIME OUT TIMER |
| |
|
|
|
- Transmitter Time
Introduction |
| |
|
|
|
- Transmitter Time
out
Timer Programming Notes |
| |
|
|
- EXTENDED
FREQUENCY MODIFICATIONS |
| |
|
|
|
- Basic Assumptions |
| |
|
|
|
- Basic Receiver Mixer
Operation |
| |
|
|
|
- Basic PLL synthesizer
Operation |
| |
|
|
|
- Syntor X VCO Operation |
| |
|
|
|
- Syntor X Bandwidth |
| |
|
|
|
- VCO Frequency
Adjustment Theory |
| |
|
|
|
- Actual VCO Frequency
Adjustments |
| |
|
|
|
- VCO Lock Test |
| |
|
|
|
- Beyond the Basic
Assumptions |
| |
|
|
|
- Wrap Up |
| |
|
|
- PACKET HOOKUP UNDER CONSTRUCTION |
| |
|
|
|
- Introduction |
| |
|
|
|
- "VBJ" and "VXJ"
Radio
Model Differences |
| |
|
|
|
- Tx Modulation
Controls |
| |
|
|
|
- Trouble Shooting
Signal
Location Table |
| |
|
|
|
- Packet Modifications |
| |
|
|
|
- Improved
Receiver Squelch
Recovery Modification |
| |
|
|
- PERSONALITY
BOARD |
| |
|
|
|
- Personality Boards
Information |
| |
|
|
|
|
- Cable Connector Pin Locator |
| |
|
|
|
|
- HLN4270A DVP Interface Board
and
Tx Audio Routing |
| |
|
|
|
|
- HLN4270B DVP Interface Board
and
Tx Audio Routing |
| |
|
|
|
|
- HLN4425A DVP Interface Board
and
Tx Audio Routing |
| |
|
|
|
|
- HLN5008A DVP Interface Board
and
Tx Audio Routing |
| |
|
|
|
- J401
Common Circuits
Board Connector |
| |
|
|
|
- J103
Optional HLN5008A
Interface Board Connector |
| |
|
|
|
- Microprocessor
Part
Numbers |
| |
|
|
|
- Motorola Manual Errata |
| |
|
|
- RADIO
JUMPER SETTINGS |
| |
|
|
|
- Types of Jumpers |
| |
|
|
|
- Personality Boards
Jumper Settings and Locators |
| |
|
|
|
|
- HLN4915A
/ HLN4760A Jumper Locater |
| |
|
|
|
|
- HLN4760B
Jumper Locater |
| |
|
|
|
|
- HLN4760C
Jumper Locater |
| |
|
|
|
|
- HLN4257A
Jumper Locater |
| |
|
|
|
|
- TRN8861A
Jumper Locater |
| |
|
|
|
- Common Circuits
Boards
Jumper Settings and Locators |
| |
|
|
|
|
- HLN4817
Low Band Jumper Locater |
| |
|
|
|
|
- HLN4838
/ HLN5106 VHF Jumper
Locater |
| |
|
|
|
|
- HLN4797
/ HLN5148 UHF Jumper
Locater |
| |
|
|
|
|
- TRN8862
800 MHz Jumper Locater |
| |
|
|
|
|
- HLN4817 Low Band Control
Locater |
| |
|
|
|
|
- HLN4838 / HLN5106 VHF
Control
Locater |
| |
|
|
|
|
- HLN4240 VHF Control Locater |
| |
|
|
|
|
- HLN4797 / HLN5148 UHF
Control
Locater |
| |
|
|
|
|
- TRN8862 Control Locator |
| |
|
|
|
- Hand Held Control
Head
Control Board Jumper Settings and Locators |
| |
|
|
|
|
- HLN4728
Jumper Locator |
| |
|
|
|
- HLN4270A
and HLN4270B
DVP Interface Board jumper settings |
| |
|
|
|
- HLN4425A DVP
Interface
Board jumper settings |
| |
|
|
|
- HLN5008A DVP
Interface
Board jumper settings |
| |
|
|
- 64 MODE
SYNTOR X |
| |
|
|
|
- 64 Mode Explanation |
| |
|
|
|
- 64 Mode Programming |
| |
|
|
|
- 64 Mode Control Head
Conversion |
| |
|
|
|
- 64 Mode Notes |
| |
|
|
- CANADIAN SYNTOR X |
| |
|
|
|
- Introduction |
| |
|
|
|
- Basic Information |
| |
|
|
|
|
- HLN4240A Common Circuits
Board
Controls |
| |
|
|
|
- Custom Changes |
| |
|
|
|
|
- HLN4257A
Missing Component Locator |
| |
|
|
|
- PA Power Adjustments |
| |
|
|
|
- Future Projects |
| |
|
|
|
- Contact for
Problems |
| |
|
|
- SYNTOR X VISUAL TOUR |
| |
|
|
|
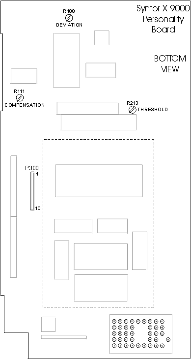
- Bottom View |
| |
|
|
|
- Unified Chassis Number
(tag
and ink stamp) |
| |
|
|
|
- VHF Receiver Standard
Filter & Optional Preamplifiers |
| |
|
|
|
- VCO |
| |
|
- CONVENTIONAL SYNTOR X
9000 and X 9000E |
| |
|
|
- INTRODUCTION |
| |
|
|
- NEW RADIO
INSPECTION |
| |
|
|
- NEW RADIO
MODIFICATIONS |
| |
|
|
- SQUELCH
THRESHOLD ADJUSTMENT |
| |
|
|
- FAIL and
ERROR CODE PREFIXES |
| |
|
|
- SYSTEMS 9000 |
| |
|
|
|
- Systems 9000
Introduction |
| |
|
|
|
- Systems 9000
Control Head Configurations |
| |
|
|
|
- Systems 9000
Rear
Control Head Configurations |
| |
|
|
|
- Systems 9000
Securenet Physical Security Housing Configurations |
| |
|
|
|
- Systems 9000
Housings Configurations |
| |
|
|
|
- Systems 9000
SIU
Dual Radio Configurations |
| |
|
|
|
- Systems 9000
Control Head Dual Radio Configurations |
| |
|
|
- PROGRAMMING |
| |
|
|
|
- Programming
Introduction |
| |
|
|
|
|
- Programming Cable Conversion
Side Photo |
| |
|
|
|
|
- Programming Cable Conversion
Front Photo |
| |
|
|
|
|
- Programming Cable Conversion
Top
Photo |
| |
|
|
|
- Essential
Programming
Chips |
| |
|
|
|
- Programming
FAQ |
| |
|
|
|
|
- Programming
Computer
Speed |
| |
|
|
|
|
- Attaching and
Using a
Factory Programming Cable |
| |
|
|
|
|
- Backing Up Your
Code
Plug |
| |
|
|
|
|
- Starting a New
Code
Plug |
| |
|
|
|
|
- RSS Frequency
Ranges |
| |
|
|
|
|
- Scan Enable |
| |
|
|
|
|
- Scan List |
| |
|
|
|
|
- Scan Squelch |
| |
|
|
|
|
- Talkback Scan |
| |
|
|
|
|
- Scan Off HUB |
| |
|
|
|
|
- Extender |
| |
|
|
|
|
- DTMF |
| |
|
|
|
|
- MDC-1200 |
| |
|
|
|
|
- Siren/PA |
| |
|
|
|
|
- Vehicle Repeater
System
(VRS) |
| |
|
|
|
|
- External Options
Housing |
| |
|
|
|
|
- Dual Radios |
| |
|
|
|
|
- Notes |
| |
|
|
|
- Programming
Problems |
| |
|
|
- SYNTOR X 9000
CONVERSIONS |
| |
|
|
|
- Syntor X to
Syntor X 9000 Comparison and Conversions |
| |
|
|
|
|
- A Quick
and
Dirty Syntor X to Syntor X 9000 Conversion |
| |
|
|
|
|
- The real
Syntor X to Syntor X 9000 Conversion |
| |
|
|
|
|
- Low Band
Radio
Conversions |
| |
|
|
|
- Syntor X 9000
Extended Frequency Modifications |
| |
|
|
|
- 32 to 64 Mode
Conversions |
| |
|
|
|
- 64 to 128
Mode
Conversions |
| |
|
|
|
- 128 to 255
Mode
Conversions |
| |
|
|
|
|
- Notes on
Selecting Memory Chips |
| |
|
|
|
- Syntor X
9000E
to Syntor X 9000 Conversion |
| |
|
|
|
- Converting
Non-Securenet "KEJ" Models and Securenet "KXJ Radio
Drawers |
| |
|
|
- MODELS |
| |
|
|
|
- Locating Radio
Model
Numbers |
| |
|
|
|
- Locating Radio
Unified Chassis Numbers |
| |
|
|
|
|
- Unified
Chassis Number Tag Photo |
| |
|
|
|
- Decoding Radio
Model
and Unified Chassis Numbers |
| |
|
|
|
|
- Low Band |
| |
|
|
|
|
- VHF |
| |
|
|
|
|
- UHF |
| |
|
|
|
|
- UHF X 9000E |
| |
|
|
|
|
- 800 MHz |
| |
|
|
|
|
- 800 MHz X 9000E |
| |
|
|
|
- PAC-PL and
PAC-RT
Vehicle Repeater Model Numbers |
| |
|
|
|
- Vehicle Repeater
System (VRS) Model Numbers |
| |
|
|
|
- Notes |
| |
|
|
- MANUALS |
| |
|
|
|
- Introduction |
| |
|
|
|
- Conventional
Radio
Service Manuals |
| |
|
|
|
- Dual Operation
X
9000E Radio Service Manuals |
| |
|
|
|
- Systems 9000
and
Accessories Service Manuals |
| |
|
|
|
- Syntor X 9000
RSS
Manuals |
| |
|
|
|
- Systems 9000
Control Head Service Documentation Locator List |
| |
|
|
|
- Motorola Manual
Errata |
| |
|
|
- CONTROL HEADS |
| |
|
|
|
- Systems 9000
Control Heads |
| |
|
|
|
|
- HCN1032 Parts Layout |
| |
|
|
|
|
- Programming
Troubleshooting Steps |
| |
|
|
|
- Using Spectra
RSS
to Reset a Control Head |
| |
|
|
|
- HCN1047
Trunking
to Conventional Control Head Conversion |
| |
|
|
|
- Conventional
Syntor
X 9000 Control Heads |
| |
|
|
|
- Additional
Control
Head Information |
| |
|
|
|
- Systems 9000
Control Head Information and Cross Reference |
| |
|
|
|
- Looking for
Control
Head Information |
| |
|
|
|
- Spectra Control
Head Information |
| |
|
|
|
- Control Head
Keys |
| |
|
|
|
- Basic Control
Head
Troubleshooting |
| |
|
|
|
- Fail 01/90 |
| |
|
|
- DEKS |
| |
|
|
|
- Introduction |
| |
|
|
|
- Basic DEK Theory |
| |
|
|
|
- Multiple DEKs |
| |
|
|
|
- DEKs and the Control
Head |
| |
|
|
|
- DEK Notes |
| |
|
|
- CABLES |
| |
|
|
|
- Radio Trouble
Shooting Tip |
| |
|
|
|
- Syntor X 9000
Radio
Cable Pin Out |
| |
|
|
|
- Systems 9000
Control Head to Radio Pin Out |
| |
|
|
|
- Systems 9000
Control Head to Microphone Pin Out |
| |
|
|
|
- Systems 9000
Control Head to Vehicle Interface Port (VIP) Pin Out |
| |
|
|
|
- Systems 9000
Direct
Entry Keyboard (DEK) Cable Pin Out |
| |
|
|
|
- Systems 9000
Direct
Entry Keyboard (DEK) VIP II Pin Out |
| |
|
|
|
- Syntor X 9000
Radio
Securenet Physical Security Housing Cable Pin Out |
| |
|
|
|
- Systems 9000
Control
Head Securenet Physical Security Housing Cable Pin Outs |
| |
|
|
|
- Syntor X 9000
HKN4246A / HKN4304A Siren/VRS T-Cable Pin Outs |
| |
|
|
|
- Syntor X 9000
HKN4295A External Options Housing/VRS T-Cable Pin Out |
| |
|
|
|
- Syntor X 9000
YKN4214A Dual Radio T-Cable Pin Out |
| |
|
|
- BOARDS |
| |
|
|
|
- Personality
Boards |
| |
|
|
|
|
- Cable Connector Pin Locator |
| |
|
|
|
|
- Bottom Side Locater |
| |
|
|
|
|
- Receive and Transmit
Audio
Routing |
| |
|
|
|
- Personality
Board
Jumpers |
| |
|
|
|
|
- Jumper
Locator for the HLN4925A |
| |
|
|
|
|
- Jumper Locator for the Top
of
the HLN5299A |
| |
|
|
|
|
- Jumper Locator for the
Bottom
of the HLN5299A |
| |
|
|
|
|
- Jumper Locator for the Top
of
the HLN5299B |
| |
|
|
|
|
- Jumper Locator for the
Bottom
of the HLN5299B |
| |
|
|
|
- Personality
Board
J301 Internal Option Board(s) Socket |
| |
|
|
|
- Common Circuits
Boards |
| |
|
|
|
- Control Head
Circuit Board Pin Out |
| |
|
|
|
- Control Head
Jumpers
(early version) |
| |
|
|
|
|
- Jumper Locator for the
Bottom of
the Control Boards |
| |
|
|
|
|
- Parts Locator for the Top of
the
Control Boards |
| |
|
|
|
- Control Head
Jumpers
(later and latest version) |
| |
|
|
|
|
- Jumper Locator for the
Bottom
of the Control Boards |
| |
|
|
|
|
- Jumper
Locator for the Bottom of
the New HLN6284C Control Board |
| |
|
|
|
|
- Jumper Locator for the
Bottom
of the Display Boards |
| |
|
|
|
|
- Parts Locator for the Top
of
the Control Boards |
| |
|
|
|
- DEK
Circuit Board Pin
Out |
| |
|
|
- PARTS |
| |
|
|
|
- Radio Parts |
| |
|
|
|
- Radio Cable Parts |
| |
|
|
|
- Radio T-connector
Parts |
| |
|
|
|
- Control Head Parts |
| |
|
|
|
- Speaker Parts |
| |
|
|
|
- Microphone Parts |
| |
|
|
|
- Direct Entry
Keyboard
(DEK) Parts |
| |
|
|
|
- Auxiliary Switch
Panel
Parts |
| |
|
|
|
- Vehicle Repeater
System
(VRS) Parts |
| |
|
|
- OPTIONS and
ACCESSORIES |
| |
|
|
|
- Control Heads |
| |
|
|
|
- Radio Cables |
| |
|
|
|
- Securenet
Physical
Security Housing |
| |
|
|
|
- Systems 9000
Housings and Cables |
| |
|
|
|
- Systems 9000 -
Dual Radios |
| |
|
|
|
- System
Interface
Unit (SIU) - Dual Radios |
| |
|
|
|
- Internal Option
Boards |
| |
|
|
|
- Internal Options |
| |
|
|
|
- Accessories |
| |
|
|
|
- Option Codes |
| |
|
|
- SYNTOR X 9000 VISUAL
TOUR |
| |
|
|
|
- Bottom View |
| |
|
|
|
- Unified Chassis
Number |
| |
|
|
|
- VHF Receiver
Standard
Filter & Optional Preamplifiers |
| |
|
|
|
- VCO |
| |
|
- TRUNKING SYNTOR X
and SYNTOR X 9000 (limited information) |
| |
|
|
- Introduction |
| |
|
|
- Syntor X Trunking
Radio
Service Manuals |
| |
|
|
- Syntor X Trunking
Model
and Unified Chassis Numbers |
| |
|
|
- Syntor X 9000
Trunking
Radio Service Manuals |
| |
|
|
- Syntor X 9000
Trunking
Model and Unified Chassis Numbers |
| |
|
|
|
- HCN1032 Control
Head |
| |
|
|
|
- HCN1032
Parts
Layout |
| |
|
|
- SPECTRA |
| |
|
|
|
- INTRODUCTION |
| |
|
|
|
- SINGLE
RADIO DRAWER
MOBILE CONFIGURATIONS |
| |
|
|
|
- CONTROL
HEAD
CONSTRUCTION
COMBINATION EXAMPLE |
| |
|
|
|
|
- Control
Head Drawings |
| |
|
|
|
- ORIGINAL
STYLE
REMOTE MOUNT
CONFIGURATIONS |
| |
|
|
|
- SYSTEMS
9000 REMOTE MOUNT
CONFIGURATIONS |
| |
|
|
|
- SYSTEMS
9000 PHYSICAL
SECURITY CONFIGURATIONS |
| |
|
|
|
- SYSTEMS
9000 HOUSINGS
CONFIGURATIONS |
| |
|
|
|
- HHCH
NOTES |
| |
|
|
|
- PROGRAMMING
TIPS |
| |
|
|
|
- VHF
MODEL NOTE |
| |
|
|
|
- SYSTEMS
9000 |
| |
|
|
|
- MODELS |
|
|
|
|
|
- Spectra Model Chart |
|
|
|
|
|
- Spectra Frequency
Range
Information |
|
|
|
|
|
- Spectra VRS |
|
|
|
|
|
- Astro Spectra VRS |
|
|
|
|
|
- Spectra Options
Chart |
| |
|
|
|
- MANUALS |
| |
|
|
|
|
- Basic and Detailed
Service Manuals |
| |
|
|
|
|
- Early and Later
Version Manuals |
| |
|
|
|
|
- Spectra Manuals |
| |
|
|
|
|
- Spectra RSS
Manuals |
| |
|
|
|
|
- Unidentified
Spectra
Manuals |
| |
|
|
|
|
- Astro Spectra
Manuals |
| |
|
|
|
- CABLES |
| |
|
|
|
|
- Original Style
Radio
Cable Pin Out |
| |
|
|
|
|
- Motorcycle Radio
Cable
Pin Out |
| |
|
|
|
|
- HHCH Radio Cable Pin
Out |
| |
|
|
|
|
- Accessory Cable Pin
Out |
| |
|
|
|
|
- Motorcycle Accessory
Cable Pin Out |
| |
|
|
|
|
- Systems 9000 Radio
Cable Pin Out |
| |
|
|
|
|
- Systems 9000
Control
Head to Microphone Pin Out |
| |
|
|
|
|
- Systems 9000
Control
Head to VIP Pin Out |
| |
|
|
|
|
- Sytems 9000 Direct
Entry
Keyboard (DEK) Cable Pin Out |
| |
|
|
|
|
- Systems 9000 Direct
Entry Keyboard (DEK) VIP II Pin Out |
| |
|
|
|
|
- Spectra Radio to
Securenet
Physical Security Housing Cable Pin Out |
| |
|
|
|
|
- Original Style
Control
Head to Physical Security Housing Cable Pin Out |
| |
|
|
|
|
- Systems 9000 Control
Head
to Physical Security Housing Cable Pin Outs |
| |
|
|
|
|
- Spectra HKN4363
Siren/VRS
Cable Pin Outs |
| |
|
|
|
|
- Spectra HKN6038 VRS
Cable
Pin Out |
| |
|
|
|
|
- Syntor X 9000
HKN4304A
Siren/PA T-Cable Pin Outs |
| |
|
|
|
- BOARDS |
| |
|
|
|
|
- Very Early Control
Head
P103 Connectors |
| |
|
|
|
|
- Early Control Head
P103
Connectors |
| |
|
|
|
|
- Later Control Head
P103
Connectors |
| |
|
|
|
|
- Control Head P104
Connectors |
| |
|
|
|
- DEKs |
| |
|
|
|
|
- Introduction |
| |
|
|
|
|
- Basic DEK Theory |
| |
|
|
|
|
- Multiple DEKs |
| |
|
|
|
|
- DEKs and the A9, B9, C9
or
E9 |
| |
|
|
|
|
- DEKs and the Other
Heads |
| |
|
|
|
|
- DEK Notes |
| |
|
|
|
- PARTS
and
ACCESSORIES |
| |
|
|
|
|
- Spectra Radio Circuit
Boards |
| |
|
|
|
|
- Control Heads |
| |
|
|
|
|
- Control Head Remote
Mount Interface Boards |
| |
|
|
|
|
- Radio Interconnect
Boards |
| |
|
|
|
|
- Remote Mount Plastic |
| |
|
|
|
|
- Remote Mount Kits |
| |
|
|
|
|
- Radio Cables |
| |
|
|
|
|
- Systems 9000
Housings
and Cables |
| |
|
|
|
|
- Direct Entry
Keyboards
and Cable |
| |
|
|
|
|
- Securenet Physical
Security Housing |
| |
|
|
|
|
- Internal Securenet |
| |
|
|
|
|
- Internal Options |
| |
|
|
|
|
- Accessories |
| |
|
|
|
|
- Spectra Service
Accessories |
| |
|
|
|
|
- Radio Installation |
| |
|
|
|
|
- Control Head A4 Parts |
| |
|
|
|
|
- Control Head A2 and A5
Parts |
| |
|
|
|
|
- Control Head A7 Parts |
| |
|
|
|
|
- Control Head A2, A5
and
A7 Parts |
| |
|
|
|
|
- Control Head A4, A5
and
A7 Parts |
| |
|
|
|
|
- Control Head A4,
A5,
A7 and A9 Parts |
| |
|
|
|
|
- Control Head A9 Parts |
| |
|
|
|
|
- DEK Parts |
| |
|
|
|
|
- Speaker Parts |
| |
|
|
- PL
/ CTCSS INFORMATION |
| |
|
|
|
- PL /
CTCSS
Introduction |
| |
|
|
|
- PL /
CTCSS Usage |
| |
|
|
|
- PL
/
CTCSS Reverse Burst |
| |
|
|
|
- Standard
PL
/ CTCSS Tones |
| |
|
|
- DPL / DCS INFORMATION< |
| |
|
|
|
- DPL /
DCS
Introduction |
| |
|
|
|
|
- Motorola
Compensation Alignment |
| |
|
|
|
- DCS
Standard
Codes Listing |
| |
|
|
|
- DCS
Extended
and Unusable Codes
Listing |
| |
|
|
|
- Additional
DCS
Information |
| |
|
|
- PAC-PL and PAC-RT VEHICLE
REPEATERS |
| |
|
|
|
- PAC
Introduction |
| |
|
|
|
- PAC-PL
Models |
| |
|
|
|
- PAC-RT
Models |
| |
|
|
|
- PAC
Manuals |
| |
|
|
|
- PAC-PL
Vehicle
Repeater |
| |
|
|
|
- PAC-RT
Vehicle
Repeater |
| |
|
|
|
- PAC
Cables |
| |
|
|
|
- PAC
Cable
Wiring Pin Outs |
| |
|
|
|
- PAC Cable
Connector Parts List |
| |
|
|
- Hand Held Control Head (HHCH) |
| |
|
|
|
- Types
of HHCH |
| |
|
|
|
- System
Interface Units |
| |
|
|
|
- HHCH
Manuals |
| |
|
|
|
- HHCH
SIU Configurations |
| |
|
|
- PROM PROGRAMMERS |
| |
|
|
|
- PROM
Programmer Introduction |
| |
|
|
|
- Common
Chip
List |
| |
|
|
|
- Programmer
Manufacturer
Links |
| |
|
|
- RADIO
WIRING |
| |
|
|
|
- Introduction |
| |
|
|
|
- Universal
Guidelines |
| |
|
|
|
- Syntor
and
Syntor X control head
power wiring |
| |
|
|
|
- Remote
Mount
Syntor X 9000 and
Systems 9000 Spectra Control Head Wiring |
| |
|
|
|
- Remote
Mount
Original Cable
Spectra Control Head Wiring |
| |
|
|
|
- Remote
Mount
Motorcycle Spectra
Control Head Wiring |
| |
|
|
|
- Dash
Mount Spectra Control Head
Wiring |
| |
|
|
|
- New
Power
Wiring Products |
| |
|
|
- GLOSSARY |
| |
|
|
- WEB LINKS |
| |
|
|
|
- Web
Links |
| |
|
|
|
- Netnews
Links |
| |
|
|
|
- Other
Interesting Web Links |
| |
|
|
|
- My Favorite Non-Profit |
| |
|
|
- SURPLUS PARTS GUIDE |
| |
|
|
|
- Systems
9000 DEK |
| |
|
|
|
- Systems 9000 Siren/PA, DEK,
Controls and Cables |
| |
|
|
|
- Systems
9000 VRS |
| |
|
|
|
- RAC-RT & PAC-PL |
| |
|
|
|
- Cables |
| |
|
|
|
- Plastic Housing Speakers |
| |
|
|
|
- Desk Microphones |
| |
|
|
|
- Palm Microphones |
| |
|
|
|
- Noise Canceling Palm
Microphones |
| |
|
|
|
- DTMF Palm Microphones |
| |
|
|
|
- Backlit DTMF Palm
Microphones |
| |
|
|
|
- Backlit DTMF Palm
Microphones
w/ Auto-Dial |
| |
|
|
|
- Hang-Up
Boxes |
| |
|
|
|
- Handsets |
| |
|
|
|
- Handset
Hang-up Cradles |
| |
|
|
|
- Headsets |
| |
|
|
|
- Miscellaneous |
| |
|
|
- ITEMS FOR SALE |
| |
|
|
|
- Sale List |
| |
|
|
|
- Where
to Locate Parts |
| |
|
|
|
- What to Look For |
| |
|
|
|
- Looking Up Motorola Parts
On-Line |
| |
|
|
- WEB SITE REVISIONS |
| |
|
|
|
- Most
Recent Changes |
| |
|
|
- CONTACT |
| |
|
|
|
- E-mail Contact |
| |
|
|
|
|
|